We have diverse experience and expertise in the field of Embedded Systems & IoT and can offer 100’s of exciting and unique projects. We can also provide support to develop new projects. Please see the list of projects on Embedded Systems & IoT page. Also, you can find some of the example projects below. Contact us for more details.
Example Project 1
Title: Intelligent Ventilation System
Description:
This is one of our flagship products which is used to maintain the ventilation of the Base Transceiver Station (BTS) rooms in telecommunication sector. This device used two temperature sensors (analog and digital) and a humidity sensor to monitor the environment in BTS room in real time. A microSD card is used to log the data of the environment. A mechanical system is used to control 4 industrial fans and an air condition controller is used maintain the ventilation. Microchip PIC18F4520 is used with a 20×4 alphanumeric LCD.



Example Project 2
Title: Android-based Home Automation System
Description:
We developed an Android App-based home automation system. Microchip PIC16F877A is used along with a Bluetooth module to establish communication with mobile phones. It also has a GSM modem connected to notify the user if any intrusion happens. We also have a keypad and LCD monitor attached if any manual bypass is required. The app also has car lock feature.




Example Project 3
Title: Functional Neural Disorder Diagnosis Using Force Sensor
Description:
This is a biomedical device to diagnose functional neural disorder (FND). It uses two force sensors and data processing is done with Arduino Nano. The data is collected using UART communication and recorded in a graphical user interface (GUI) to monitor and diagnosis purpose. The GUI is developed with Python.

Example Project 4
Title: Sensor Image Capture and Wireless Transmission by RPi 5
Description:
We developed a high resolution sensor image capturing and processing system using Raspberry Pi (RPi) 5. A 7-inch capacitive touch monitor is interfaced with RPi 5. The processed data is sent to a mobile phone using in-built Bluetooth of RPi 5.


Example Project 5
Title: Fuel Level Monitoring Device
Description
This is another of our flagship and innovative device. This includes an ultrasound sensor calibrated to monitor fuel level in a large generator tank in real time. The data is logged in a microSD card and can be accessed wirelessly. Two Microchip PIC 18F4520 MCUs are used to implement this unique device.


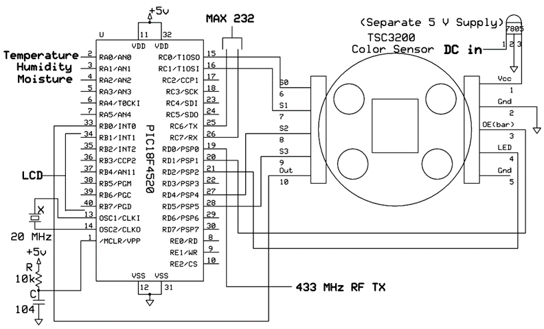
Example Project 6
Title: GSM-based Harvesting and Irrigation System
Description:
In this project different sensors (temperature, humidity and soil moisture) are used to track the environment condition of the field for instantiate the irrigation process. Color sensor is used to keep track of the crop’s maturity level. GSM Modem and RF modules are interfaced with Microchip PIC MCUs to execute the irrigation process effectively.



